
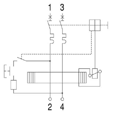
Interruttore magnetotermico differenziale: Serie DP40/DP45 (Tipo AC, A)Prestazioni: "Corrente nominale In (A): 4 a 40 "Corrente differenziale nominale d'intervento I n (mA): 30, 300 "Curva di intervento: C "Tensione nominale Un (V): 230 "Tensione di esercizio minima UB min (V): 100 "N° manovre meccaniche/elettriche: 20.000/10.000 "Tropicalizzazione sec. IEC 60068-2-28/2-30 e DIN 40046: 95% di UR a 55°C "Cap. terminale cavo flessibile/rigido (mm²): Terminali superiori 16-25. Terminali inferiori 25-35 "Poli: 1+N (neutro a destra) "Resistenza contro gli scatti intempestivi: 250A 8/20µs, 200A 0,5µs - 100kHz. "Variazione della temperatura ambiente (°C): -5 a +40 "Peso (g): 250 Tenuta al cortocircuito Secondo EN 61009 et EN 60898 "Potere di chiusura e d'interruzione differenziale nominale: I m = 4500A "Potere d'interruzione nominale estremo: Icn = 4500A a 230V "Classe di limitazione dell'energia: 3 Tenuta al cortocircuito Secondo EN 60947-2 "Potere d'interruzione nominale estremo: Icu = 6000A a 230VNorme: EN 61009Approvazioni: CEEstensioni: "Contatti ausiliari "Sganc. a lancio di corr. "Sganc. di minima tensione "Interr. apertura pannello "Comando motore
Indirizzo:
Fare il tuo reso è facile!
I resi possono essere richiesti entro 14 giorni dalla data di acquisto ed è obbligatorio allegare una ricevuta valida alla merce in restituzione.
Il diritto di recesso è comunque sottoposto alle seguenti condizioni:
Quanto sopra è valido per il reso di merce acquistata e non più desiderata. In caso di prodotti che risultino avere difetti di fabbricazione, ricordiamo che comunque il materiale acquistato tramite SpesaElettrica gode delle normali garanzie e, in questi casi vi chiediamo di non esitare a chiamare il nostro servizio clienti.
Interruttore magnetotermico differenziale: Serie DP40/DP45 (Tipo AC, A)Prestazioni: "Corrente nominale In (A): 4 a 40 "Corrente differenziale nominale d'intervento I n (mA): 30, 300 "Curva di intervento: C "Tensione nominale Un (V): 230 "Tensione di esercizio minima UB min (V): 100 "N° manovre meccaniche/elettriche: 20.000/10.000 "Tropicalizzazione sec. IEC 60068-2-28/2-30 e DIN 40046: 95% di UR a 55°C "Cap. terminale cavo flessibile/rigido (mm²): Terminali superiori 16-25. Terminali inferiori 25-35 "Poli: 1+N (neutro a destra) "Resistenza contro gli scatti intempestivi: 250A 8/20µs, 200A 0,5µs - 100kHz. "Variazione della temperatura ambiente (°C): -5 a +40 "Peso (g): 250 Tenuta al cortocircuito Secondo EN 61009 et EN 60898 "Potere di chiusura e d'interruzione differenziale nominale: I m = 4500A "Potere d'interruzione nominale estremo: Icn = 4500A a 230V "Classe di limitazione dell'energia: 3 Tenuta al cortocircuito Secondo EN 60947-2 "Potere d'interruzione nominale estremo: Icu = 6000A a 230VNorme: EN 61009Approvazioni: CEEstensioni: "Contatti ausiliari "Sganc. a lancio di corr. "Sganc. di minima tensione "Interr. apertura pannello "Comando motore